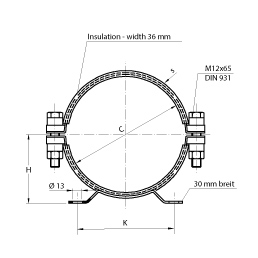
Ke đỡ dùng để gắn tường. Dải nhiệt độ gioăng EPDM: -20°C đến +90°C.
| Diameter | Thickness | Item ID |
|---|---|---|
| Ød, mm | s, mm | |
| 80 | 1.5 | GAEF000001 |
| 100 | 1.5 | GAEF000002 |
| 120 | 1.5 | GAEF000003 |
| 140 | 1.5 | GAEF000004 |
| 150 | 1.5 | GAEF000005 |
| 160 | 1.5 | GAEF000006 |
| 175 | 1.5 | GAEF000007 |
| 200 | 1.5 | GAEF000008 |
| 224 | 1.5 | GAEF000009 |
| 250 | 1.5 | GAEF000010 |
| 280 | 1.5 | GAEF000011 |
| 300 | 1.5 | GAEF000012 |
| 315 | 1.5 | GAEF000013 |
| 350 | 2.5 | GAEF000014 |
| 400 | 2.5 | GAEF000015 |
| 450 | 2.5 | GAEF000016 |
| 500 | 2.5 | GAEF000017 |
| 560 | 2.5 | GAEF000019 |
| 630 | 2.5 | GAEF000021 |
| Diameter | Thickness | Item ID |
|---|---|---|
| Ød, mm | s, mm | |
| 80 | 1.50 | GBEF000001 |
| 100 | 1.50 | GBEF000002 |
| 120 | 1.50 | GBEF000003 |
| 140 | 1.50 | GBEF000004 |
| 150 | 1.50 | GBEF000005 |
| 160 | 1.50 | GBEF000006 |
| 175 | 1.50 | GBEF000007 |
| 200 | 1.50 | GBEF000008 |
| 224 | 1.50 | GBEF000009 |
| 250 | 1.50 | GBEF000010 |
| 280 | 1.50 | GBEF000011 |
| 300 | 1.50 | GBEF000012 |
| 315 | 1.50 | GBEF000013 |
| 350 | 2.50 | GBEF000014 |
| 400 | 2.50 | GBEF000015 |
| 450 | 2.50 | GBEF000016 |
| 500 | 2.50 | GBEF000017 |
| 560 | 2.50 | GBEF000019 |
| 630 | 2.50 | GBEF000021 |