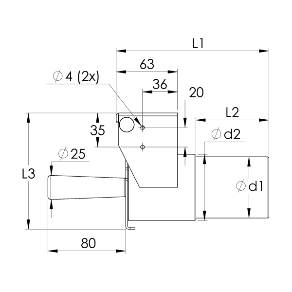
Van lá CADC SL có thể được lắp trên đường ống và được thiết kế để kết nối ống mềm thông qua đầu nối ống mềm CAEB. Phía ống của van lá có cùng đường kính với ống và được kết nối thông qua khớp nối ống. Một bộ báo vị trí có thể được thêm vào giá đỡ nắp để tự động khởi động hệ thống khi nắp được mở (bán riêng).
| Diameter | Diameter 2 | Length | Thickness | Item ID | Edge |
|---|---|---|---|---|---|
| Ød, mm | Ød, mm | L, mm | s, mm | ||
| 38 | 43 | 157 | 2 | CADC000004 | gl |
| 50 | 55 | 157 | 2 | CADC000005 | gl |
| 63 | 68 | 157 | 2 | CADC000006 | gl |
| 76 | 81 | 157 | 2 | CADC000007 | gl |
| Diameter | Diameter 2 | Length | Thickness | Item ID | Edge |
|---|---|---|---|---|---|
| Ød, mm | Ød, mm | L, mm | s, mm | ||
| 38 | 43 | 157 | 2.00 | CBDE000001 | gl |
| 50 | 55 | 157 | 2.00 | CBDE000002 | gl |
| 63 | 68 | 157 | 2.00 | CBDE000003 | gl |
| 76 | 81 | 157 | 2.00 | CBDE000004 | gl |